勁馬機械提供塑料回收造粒設備高速混合機、高速造粒機。其中高速造粒機是一種將廢棄的熱塑性薄膜及壁厚小于2毫米的制品進行直接造粒的設備。...
發布時間:2017-11-14
勁馬機械提供塑料高速混合機、塑料自動加料機,下面介紹一下輔助機械系列塑料自動加料機...
發布時間:2017-11-09
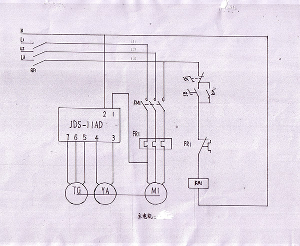
勁馬機械提供塑料高速混合機、塑料輔助機械,下面介紹一下輔助機械自動加料機...
發布時間:2017-11-06
根據工作情況,塑料撕碎機、切粒機都要涂ZG-2鈣基潤滑脂,并經常保持齒面潤滑。...
發布時間:2017-11-02
勁馬提供塑料撕碎機、塑料切線機,塑料切線機適用于玻纖、礦物、增強塑料、橡膠共混物、PVC、PBT、PA、PP、PE、PS、PET、ABS等造粒。...
發布時間:2017-10-30
本廠生產的塑料破碎機、邊料回收機,曾多方吸收國、內外先進技術,設計合理,反復試驗,不斷改進,終于試制成功具實用、能耗低的邊料回收設備。...
發布時間:2017-10-26
高速混合機組與電控箱分別安裝于水泥基礎或牢固的鋼架基礎上。校正于水平位置,用六個地腳螺栓固定。...
發布時間:2017-10-23
高速混合機的電控箱為立式的,與混合機分開,電箱面上裝有電加熱電流表、加熱溫度、物料溫度、冷混溫度指示、混合機的啟動、停止按鈕、卸料門的開啟、關閉等按鈕。...
發布時間:2017-10-19
高速混合機組由底座、傳動、鍋體、鍋蓋、升降、出料口及電控箱七個部分組成。高速混合機的鍋體由不銹鋼焊成,內表面極為光滑堅硬,具有耐磨、耐腐蝕、不易沾料等特點...
發布時間:2017-10-16
SRL系列混合機組,主要是用于聚氯乙烯樹脂的混合、著色、聚乙烯、聚丙烯顆粒的著色、干燥、ABS、聚碳酸脂等吸濕性樹脂成型和加工前的干燥,酚醛樹脂的混合等工序。...
發布時間:2017-10-12